首页
关于我们
公司简介
组织架构
荣誉证书
新闻中心
公司新闻
行业新闻
产品中心
电源
LED球泡
大功率LED
套子LED
红外发射接收管
数码管系列
贴片LED系列
插件LED系列
智能感应灯
高压电源
生产环境
LED产线
电源灯泡生产线
环保理念
人力资源
人才战略
招聘信息
在线留言
联系我们
联系方式
中文版
|
English
产品展示
电源
LED球泡
大功率LED
套子LED
红外发射接收管
数码管系列
贴片LED系列
插件LED系列
智能感应灯
高压电源
产品展示
现在的位置:首页-->产品展示
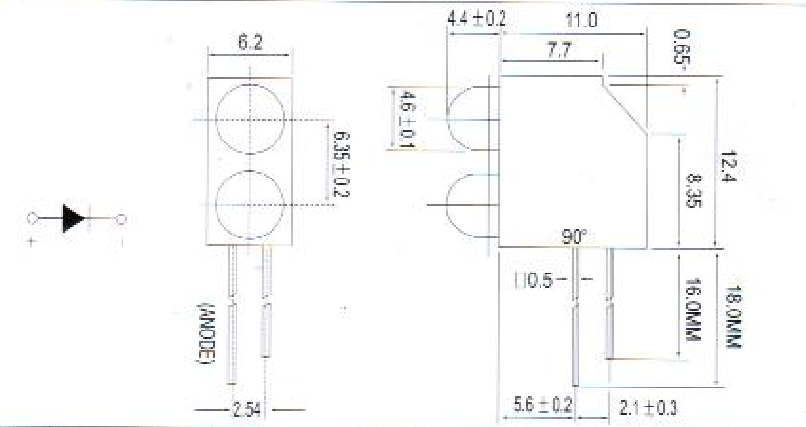
4.6mm 2Pcs Circuit Board indicator
产品说明
【关闭】